Verschwörungen
Menschen Wissenschaft Politik Mystery Kriminalfälle Spiritualität Verschwörungen Technologie Ufologie Natur Umfragen Unterhaltung
weitere Rubriken
PhilosophieTräumeOrteEsoterikLiteraturAstronomieHelpdeskGruppenGamingFilmeMusikClashVerbesserungenAllmysteryEnglish
Diskussions-Übersichten
BesuchtTeilgenommenAlleNeueGeschlossenLesenswertSchlüsselwörter
Schiebe oft benutzte Tabs in die Navigationsleiste (zurücksetzen).

Mondlandung

7.763 Beiträge ▪ Schlüsselwörter: Mond, Mondlandung, Landung ▪ Abonnieren: Feed E-Mail

Mondlandung

17.01.2018 um 20:17
Zitat von SpukulatiusSpukulatius schrieb:Ich glaube das "frisiert" wurde, aufgehübscht und so. Auch bei älteren Bildern der Erde denke ich das.
Wenn Du die ersten Originalaufnahmen von der Landung meinst die vor ein paar Jahren von der NASA wiedergefunden wurden nachem diese in den Archiven der Raumfahrtagentur zuvor verloren gingen hat man den Bildern tatsächlich einer umfangreichen Restaurierung unterzogen, weshalb die Qualität deutlich besser ist als das vom bisher verfügbaren Material. In diesem Kontext wäre aber das Wort "faken" im Sinne von "fälschen" eher unangebracht da VTler das gleich als Einladung für ihre Fantastareien einer angeblichen "Inszenierung" der Aufnahmen verstehen würden.


melden

Mondlandung

17.01.2018 um 20:23
Zitat von Bone02943Bone02943 schrieb:Es gab da mal einen Streik
Tut mir leid aber das nenne ich jetzt mal ganz frech Schwachsinn. Es gab bei den Russen mal eine "Art" Streik aber da ging es um was völlig anderes - aber ich entsinne mich gerade nicht. Astronauten die für mehr Freizeit im All streiken.... pfffffft
Zitat von Bone02943Bone02943 schrieb:Und ja das Wetter spielt eine große Rolle. Man kann nicht in einem Sturm starten oder landen. Fall du doch mal an einem Fallschirm hängend, durch einen Hurrikan.
Stürme und Hurricanes sind wie Mond und Erde. Nicht zu vergleichen. Und das ein Fallschirm, gerade wenn die NASA ihn gebaut hat, keinen Sturm aushält nenne ich jetzt auch mal fragwürdig.

Trotz äußerst ungünstiger Wetteraussichten kehrte der US Space Shuttle Endeavour heute Nacht aus dem Orbit zur Erde zurück. Die meteorologischen Landebedingungen erschienen eigentlich bis wenige Minuten vor der Retro-Zündung als ungeeignet, und man bereitete sich schon auf eine Verschiebung der Landung auf den Dienstag und eine Verlegung auf die Luftwaffenbasis Edwards in Kalifornien vor.

Ich denke du übertreibst da ein wenig.


5x zitiertmelden

Mondlandung

17.01.2018 um 20:34
@Mullich

Gut Streik mag nicht das richtige Wort sein, aber man hat den geplanten Ablauf von selbst und ohne Zustimmung geändert. Es ging vordergründig um die hohe Arbeitsbelastung über viele Wochen hinweg. Man wollte mehr Freizeit haben, also nicht bis spät arbeiten, schlafen und gleich weiter arbeiten, sondern brauchte auch Zeit für sich und zum abschalten. Darauf hat die NASA reagiert und die Arbeitspläne angepasst.
Zitat von MullichMullich schrieb:Ich denke du übertreibst da ein wenig.
Es gibt kein Space Shuttle mehr. Und dieses hängt auch nicht an einem Fallschirm. Du schriebst ja selbst das es um eine Sojus ging. Das ist mit einem Space Shuttle nicht zu vergleichen.
Außerdem gibt es immer Abwägungen. Wenn das Wetter nicht passt und man auch locker noch warten kann, dann wartet man eben.


melden

Mondlandung

17.01.2018 um 20:38
@Mullich

As the activation of Skylab progressed, the astronauts complained of being pushed too hard. Ground crews disagreed; they felt that the astronauts were not working long enough or hard enough, during the course of the mission. On December 28, this culminated in turning off radio communications with NASA ground control for a full day. Subsequently, there was a radio conference to air frustrations which led to the workload schedule being modified, and by the end of their mission the crew had completed even more work than originally planned. The experiences of the crew and ground controllers provided important lessons in planning subsequent manned spaceflight work schedules.

Wikipedia: Skylab 4#Mission highlights


melden

Mondlandung

17.01.2018 um 20:39
Zitat von MullichMullich schrieb:Ich denke du übertreibst da ein wenig.
Hä?
Du zitierst doch selbst, dass bei der beschriebenen Landung mit dem Space Shuttle aufgrund der Wetterbedingungen eine Verschiebung der Landung angedacht war.
Und da es keine Space Shuttle mehr im Einsatz gibt, ist es doch erst Recht nur Logisch, dass dann eine Landung einer Kapsel mit Fallschirm erst Recht vom Wetter abhängig gemacht wird.

Dein Zitat zeigt doch, dass nicht übertrieben wurde.


melden

Mondlandung

17.01.2018 um 20:56
Zitat von MullichMullich schrieb:Ach ja, welche Staaten waren denn alle noch so involviert bei Apollo 11?
Glaubst du andere Länder haben keine Physiker, keine Optischen, und Radaranlagen, keine Möglichkeit zur Triangulation, etc..

Da hast du schonmal die UDSSR, Frankreich, UK, Japan, und wohl auch China gehabt.

die Voraussetzungen für eine Mondlandung ist auch allen anderen recht bekannt gewesen, und welche Raketen man so braucht kann sich sogar jeder Mittelschüler an der Raketengrundleichung ausrechnen.

Also täusch der ganzen Welt mal eine bzs Mehrer Mondlandungen vor, wird etwas schwierig.
Zitat von MullichMullich schrieb:Wie meinst du das und überhaupt.... wer trollt hier wen. Musst du immer so einen Stuss unterstellen?
Du trollst, das ist offensichtlich, weil du bewußt auf "Stur" stellst.

Ist ja nix neues, auch aus anderen Threads.


1x zitiertmelden

Mondlandung

17.01.2018 um 21:02
Zitat von MullichMullich schrieb:Stürme und Hurricanes sind wie Mond und Erde. Nicht zu vergleichen. Und das ein Fallschirm, gerade wenn die NASA ihn gebaut hat, keinen Sturm aushält nenne ich jetzt auch mal fragwürdig.
Naja mit dem was du alles so für Fragwürdig hälst, müsstet du wohl nochmal in die Grundschule

Wieso sollten NASA Fallschirme der Physik trotzen? Warum überhaupt NASA? Seitdem das Shuttel nicht mehr fliegt erfolgt die Rückkehr über Sojus. Das Schuttel als Flying Brick war eh auf Gutes Wetter angewiesen.


melden

Mondlandung

17.01.2018 um 21:04
@Mullich

Du kannst ja gerne mal in einer Kapsel per Fallschirm in einen Sturm springen.

Nur mal für dich: die Windgeschwindigkeiten am Erdboden und in höheren Lagen sind komplett unterschiedlich.


1x zitiertmelden

Mondlandung

17.01.2018 um 21:07
Zitat von FedaykinFedaykin schrieb:Glaubst du andere Länder haben keine Physiker, keine Optischen, und Radaranlagen, keine Möglichkeit zur Triangulation, etc..
Ich glaube es ist schwieriger etwas zu beurteilen wenn man nicht selbst dabei war - sehen wir ja hier :D
Zitat von FedaykinFedaykin schrieb:Also täusch der ganzen Welt mal eine bzs Mehrer Mondlandungen vor, wird etwas schwierig.
Lies doch nochmal drüber wenn du fertig bist - das erspart eine Menge lästiges Rätselraten.... der ganzen Welt... das ich nicht lache.
Eine Mimose:
mimose-ueberwintern-6796
Zitat von FedaykinFedaykin schrieb:Du trollst, das ist offensichtlich, weil du bewußt auf "Stur" stellst.
Ich denke ich kann dir reinen Gewissens denselben Krams vorwerfen aber du tritts immer so ulkig selbstbewusst auf - hat auch was.
Zitat von FedaykinFedaykin schrieb:Ist ja nix neues, auch aus anderen Threads.
Siehe oben die grüne Pflanze.


1x zitiertmelden

Mondlandung

17.01.2018 um 21:08
Zitat von NerokNerok schrieb:Nur mal für dich: die Windgeschwindigkeiten am Erdboden und in höheren Lagen sind komplett unterschiedlich.
Na das sind ja mal Neuigkeiten. Und mit welcher Wiedereintrittsgeschwindihkeit saust die Pille wieder runter? Dürfte ja nicht ganz wenig sein - da schneidet man auch schonmal durch Luft.


melden

Mondlandung

17.01.2018 um 21:19
Zitat von MullichMullich schrieb:Ich glaube es ist schwieriger etwas zu beurteilen wenn man nicht selbst dabei war - sehen wir ja hier :D
Nee, nicht von dir auf KLuge Menschen schließen. Die kann man eben nicht so leicht verarschen und mit mehreren Mondlanungen die Welt verarschen zu wollen wir doch sehr schwierig.
Zitat von MullichMullich schrieb:es doch nochmal drüber wenn du fertig bist - das erspart eine Menge lästiges Rätselraten.... der ganzen Welt... das ich nicht lache.
Eine Mimose:
Genau die Ganze Welt

Hier ein Troll



troll-doll 2115316
Zitat von MullichMullich schrieb:Ich denke ich kann dir reinen Gewissens denselben Krams vorwerfen aber du tritts immer so ulkig selbstbewusst auf - hat auch was.
Nein, ich sage dir was die Motivation an deinen dämlichen Fragen ist, und ich glaube im Moment nicht das du die Fakten wirklich nicht kognitiv verarbeiten kannst.


melden

Mondlandung

17.01.2018 um 21:24
@Fedaykin
@Mullich

Euer Troll-Mimosen-Battle könnt ihr woanders austragen, am besten in UH, aber hier ist jetzt Schluss!


melden

Mondlandung

17.01.2018 um 21:29
Gut dann kann man ja wieder sich den Fakten widmen

Und sich selber Fragen wie man Ander Industrienationen + Bildungsmenschen, Physiker und co, zig Tausende Amateurfunker, Abhörstationen etc

verarschen will.

Den Start der Saturn V wird man ja wohl nicht leugnen.


melden

Mondlandung

17.01.2018 um 21:55
Falls es jemanden interessiert.

Hier das Journal von Apollo 11

https://www.hq.nasa.gov/office/pao/History/alsj/a11/a11.html

Da stehen mMn alle wichtigen und relevanten Daten drinnen. Könnten man oder @Mullich ja mal durcharbeiten. Ist aber doch recht umfangreich.

Ich hab es schon mal verlinkt, hier kann man sich den Landeplatz von Apollo 11 zu den verschiendenen " Mondtageszeiten " anschauen.
Mit den entsprechenden Daten.

@Mullich
Der Hitzeschild umgab die gesamte Kapsel, um bei der Abbremsung in der Erdatmosphäre von etwa 40.000 km/h auf wenige hundert km/h die auftretende Hitze von bis zu 3.000 Grad Celsius nicht in die Kabine eindringen zu lassen. Der Hitzeschild bestand aus rostfreiem Stahl und einem darüber befindlichen abschmelzbaren Kunststoff. An der Unterseite des CM war er besonders dick ausgeführt.
http://www.spacefacts.de/mission/german/apollo-15.htm

Wennst du wirklich ein klein wenig Interesse an den Mondlandungen hättest, hättest du das alles selber gefunden und gelesen.


melden

Mondlandung

18.01.2018 um 00:11
Zitat von MullichMullich schrieb:Es gibt ja dennoch HD Fotos von den Mondausflügen. Da könnte man ja annhemen irgendwo wäre auch das Entladen des Rovers in HD fotografiert worden
Das siind keine HD-Aufnahmen sondern die Bilder wurden auf 70mm Film aufgenommen. Und nein, vom Ausladen des Rovers gibt es keine 70mm-Aufnahmen, weil das Ausladen zu zweit durchgeführt werden musste, da hatte keiner der Astronauten Zeit auch noch die Kamera zu bedienen.


1x zitiertmelden

Mondlandung

18.01.2018 um 00:17
Zitat von SuppenhahnSuppenhahn schrieb:Das siind keine HD-Aufnahmen sondern die Bilder wurden auf 70mm Film aufgenommen.
Zitat von MullichMullich schrieb:Ich meine jetzt nicht 2018 HD sondern Fotos wie das in der guten Qualität mit den verdeckten Roverspuren.
Stand gleich dadrunter.
Zitat von SuppenhahnSuppenhahn schrieb:weil das Ausladen zu zweit durchgeführt werden musste, da hatte keiner der Astronauten Zeit auch noch die Kamera zu bedienen.
Also war nur die Kartoffellvideokamera in der Lage Aufnahmen vom Stativ aus zu liefern? So ein zwei Knipser wären doch drin gewesen, schade, schade.


1x zitiertmelden

Mondlandung

18.01.2018 um 00:34
@Mullich
Zitat von MullichMullich schrieb:Also war nur die Kartoffellvideokamera in der Lage Aufnahmen vom Stativ aus zu liefern? So ein zwei Knipser wären doch drin gewesen, schade, schade.
Es gibt bessere Aufnahmen, ja sogar Videos von dem Rover. Aber von der Erde. Und zwar wie der damals entwickelt wurde:

https://www.youtube.com/watch?v=5aDSYTMqyQw (Video: Lunar Rover)

Ungefähr ab min 20 siehst du die Entwicklung des Rovers und das Problem, wie er denn in den verflixt kleinen Raum im LEM passt. Ich würd dir aber empfehlen das ganze Video zu gucken. Wenn es dich wirklich interessiert dann wirst du es verschlingen. Genau so wie die anderen Moon Machines Videos. Da gibts Videos von der Entwicklung und Konstruktion der Saturn V, über den Computer des CM und LEM und vielen weiteren Maschinen und Konstrukte die damals gebaut wurden. Da sieht man auch schön das es eben bei weitem nicht so easy war wie es die Mondlandungsvtler gerne darstellen.

Dessweiteren kann ich auch die komplette Dokuserie "When we left Earth" Empfehlen. Da kann man dann noch so allgemein über die Raumfahrt was lernen (sogar in HD :D)

Part 1: https://www.youtube.com/watch?v=TVzbVmv8NhY (Video: When We Left Earth Part 1: Ordinary Supermen - HD)


melden

Mondlandung

18.01.2018 um 01:01
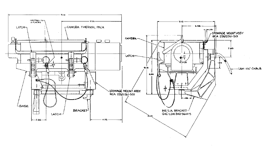
Nun zu jener Zeit war dies schon State-of-the-Art, nach dem Ausfall der Farb TV-Kamera wurde von RCA Astro Electronics eine wesentlich verbesserte und leistungsfähige Farbbildröhrenkamera entwickelt, die RCA-J Serie, sie wurde im Laderaum des Landers (Modularized Equipment Stowage Assembly MESA) verbaut und wurde von der Erde aus gesteuert (Ground-Commanded Television Assembly GCTA), während die Astronauten mit dem Entladen des Rovers beschäftigt waren, konnte so eine Live Übertragung ermöglicht werden.

[...] the Color Televsion Camera (CTV), and the Television Control Unit (TCU). This system was connected directly to the Lunar Communications Relay Unit (LCRU) when mounted on the Lunar Roving Vehicle (LRV), and the TV signal was sent from the LCRU to earth via the High Gain Antenna (HGA) mounted on the LRV. As with all previous missions, the system was mounted inside the Modularized Equipment Stowage Assembly (MESA) in Quad 4 of the Lunar Module (LM) Descent Stage. This gave the capability of broadcasting the first steps of the astronauts as they climbed down the ladder of the LM at the start of the first EVA. The astronauts would then
detach the camera from it's mount in the MESA, mount the camera on a tripod, and carry it away from the LM to show the progress of the
EVA
.

gcta20diag2b
GCTA/TCU System

gcta4bOriginal anzeigen (0,2 MB)
TCU/GCTA Kombination ohne Sonnenblende wie bei Apollo 15 benutzt wurde.

aus: http://www.ninfinger.org/karld/My%20Space%20Museum/apollocams.htm#gcta

Transkripton des Funkverkehrs während des Entladens:
https://www.hq.nasa.gov/alsj/a15/a15.lrvdep.html
Audio:
https://www.hq.nasa.gov/alsj/a15/a15a1195255.mp3 (Archiv-Version vom 21.07.2019)


Wikipedia: Apollo TV camera#RCA J-Series Ground-Commanded Television Assembly (GCTA)


melden

Mondlandung

18.01.2018 um 01:41
@sarkanas
Bei Deinen Links hab ich auch was tolles gefunden:
Wikipedia: Apollo 11 missing tapes
Kurzfassung auf Deutsch: Eine Live-Übertragung von der Mondoberfläche hatte nur wenig Bandbreite. Also entwickelte man eine Kamera, die ein nicht mit dem normalen Fernsehen kompatibles Bild übertrug und für die die Bandbreite ausreichte.
Auf der Erde wurde das Signal gesplittet - einmal für die Bandaufzeichnung ohne Umwandlung in ein Fernsehsignal. Diese Bänder sind verschollen, wahrscheinlich überspielt in den frühen 1980ern.
Und die andere Verwendung war die Umwandlung in ein normales Fernsehsignal. Hier wurde das Signal auf einem Videomonitor abgespielt und von einer normalen Fernsehkamera abgefilmt...

Speziell dieser Punkt kann auch den „durchsichtigen Astronauten“ erklären...
... The monitor had persistent phosphors, that acted as a primitive framebuffer.[
...
Sprich: Der Monitor leuchtete an hellen Stellen durch die Beschichtung länger nach.
Dadurch erschienen die Astronauten kurze Zeit durchsichtig. Wenn sie längere Zeit den hellen Hintergrund verdeckten, verschwand auch der „Geist-Effekt“.


melden

Mondlandung

18.01.2018 um 02:03
@Fichtenmoped
Danke für den Hinweis, vor allem wenn man jetzt noch sich die Latenz Zeit der Röhren vorstellt, dazu noch der Verlust bei der Übertragung Mond-Erde und dies dazu nimmt—da wird der Respekt vor jener technischen Leistung damals bei mir nur größer ;)


melden